|
Герметизация деформационных швов при строительстве заглубленных и подземных сооружений при сопряжении с существующими конструкциями.
МАТЕРИАЛ: ПВХ-П
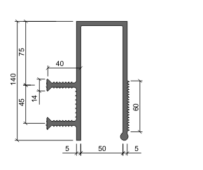
| ДЗС-140/50-2/40 |
ДЗС-140/100-2/40 |
 |
 |
| ПОРЯДОК УСТАНОВКИ |
Технологический регламент ТР 186-07 |
| МОНТАЖНАЯ СХЕМА |
 |
| ТЕХНИЧЕСКИЕ ХАРАКТЕРИСТИКИ |
| ТИП ШПОНКИ |
Перемещение, мм |
Давление
воды, МПа |
| Сжатие |
Растяжение |
Сдвиг
поперечный |
Сдвиг
продольный |
| ПВХ-П |
| ДЗС-140/50-2/40 |
25 |
150 |
130 |
95 |
0,43 |
| ДЗС-140/100-2/40 |
25 |
150 |
130 |
95 |
0,43 |
|
| |
|
| СЕРТИФИКАТЫ |
Санитарно-эпидемиологическое заключение N 40.01.05.577.П.000725.08.09 от 19.08.2009 г.
Сертификат соответствия Госстроя России N POCC RU.АИ09.Н00327 от 11.02.2010 г. |
| ХРАНЕНИЕ |
Изделия следует хранить в закрытых помещениях при температуре не выше 30 °С, без воздействия деформирующих нагрузок, прямых солнечных лучей, защищенными от попадания на них нефтепродуктов и органических растворителей. |
| УПАКОВКА |
ПВХ-П шпонки - бухты по 20 пог.м.
По согласованию возможна поставка бухт необходимой потребителю длины. |
|